- Produktbeskrivning
-
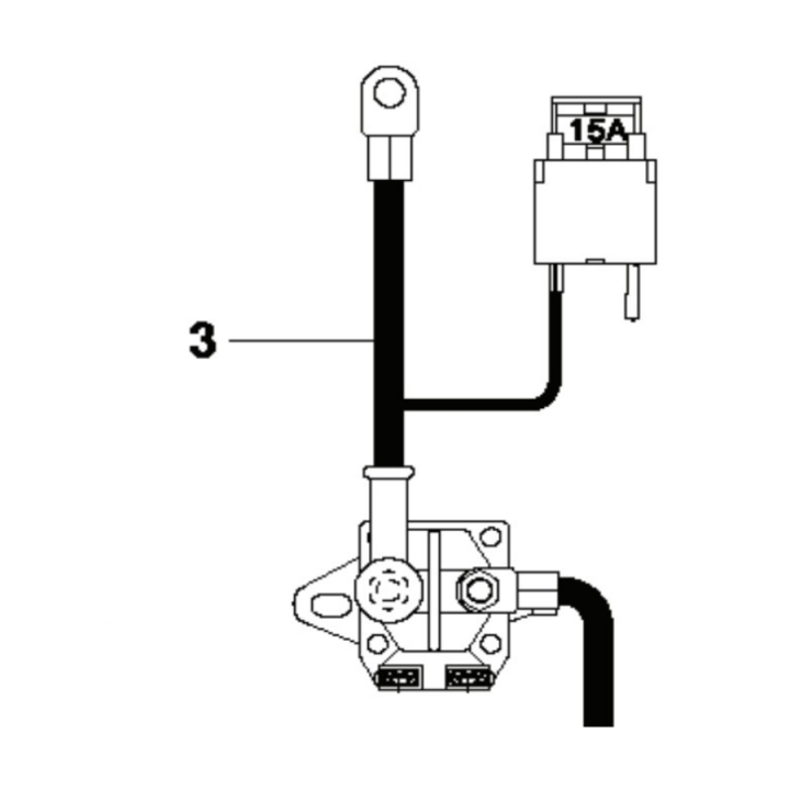
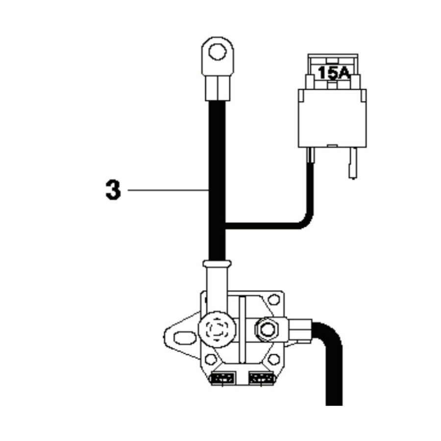
Pluskabel batteri, 5862488-01
Reservdel från Husqvarna
Passar till bl.a:
Jonsered
Jonsered FR 2311 M
Jonsered FR 2312 MA
Jonsered Rider 111B
Jonsered Rider 111B5
Jonsered Rider 112C
Jonsered Rider 112C5
Jonsered Rider 115B
Jonsered Rider 115C
Vill du söka bland Husqvarna sprängskisser & reservdelar? Använd då vår reservdelskatalog. Tryck här för att komma till reservdelskatalogen. Tänk på att du alltid ska säkerställa att artikelnumret blir rätt med hjälp av sprängskissen för din maskin. - Specifikationer
-
Tillverkarens artikelnummer: 586 24 88-01 , 586248801 - Filer
Prishistorik
Nedan finner du prishistorik för denna produkten de senaste 30 dagarna.
Vårt lägsta pris 1-30 dagar innan sänkning:

Uk - GBP
Sweden - SEK

