- Produktbeskrivning
-
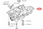
Husqvarna Hus Nedre med artikelnummer 535414664
Vill du söka bland Husqvarna sprängskisser & reservdelar? Använd då vår reservdelskatalog. Tryck här för att komma till reservdelskatalogen. - Specifikationer
-
Tillverkarens artikelnummer: 535 41 46-64 , 535414664 - Filer
Prishistorik
Nedan finner du prishistorik för denna produkten de senaste 30 dagarna.
Vårt lägsta pris 1-30 dagar innan sänkning: 5660 kr

Uk - GBP
Sweden - SEK

