- Produktbeskrivning
-
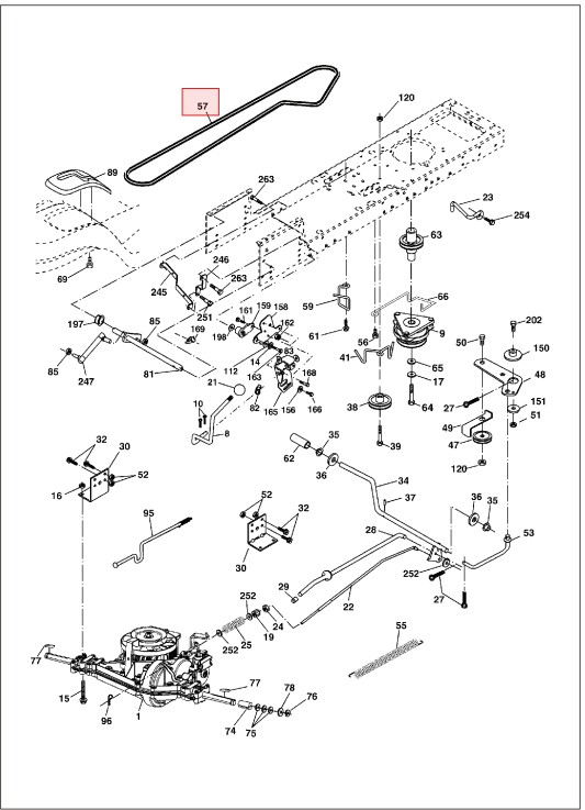
Rem, 5321781-38
Reservdel från Husqvarna
Passar till bl.a:
Husqvarna YTH 2148 (954572035, LO21H48D)
Husqvarna YTH 2448 (96015000103)
Vill du söka bland Husqvarna sprängskisser & reservdelar? Använd då vår reservdelskatalog. Tryck här för att komma till reservdelskatalogen. Tänk på att du alltid ska säkerställa att artikelnumret blir rätt med hjälp av sprängskissen för din maskin. - Specifikationer
-
- Filer
Prishistorik
Nedan finner du prishistorik för denna produkten de senaste 30 dagarna.
Vårt lägsta pris 1-30 dagar innan sänkning:

Sweden - SEK
Uk - GBP


