Rem klippaggregat LT1238, LT1538, LTH120, LTH130, LTH140 mfl
802 kr
- Produktbeskrivning
-
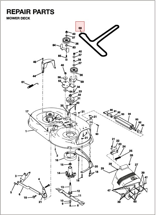
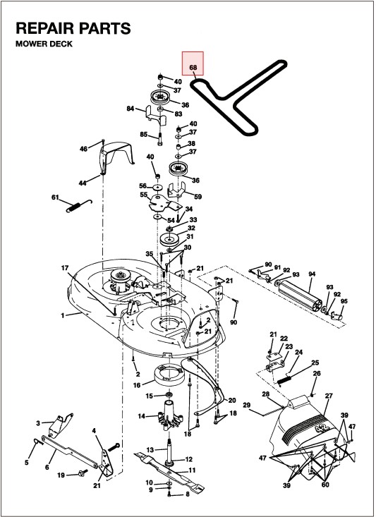
Rem, 5321442-00
Reservdel från Husqvarna
Passar till bl.a:
Husqvarna LT 1238 (954567024)
Husqvarna LT 1538 (954569776, HAUB1538B, LT1538, LT1538A, LT1538B, LT1538C, LT1538D)
Husqvarna LTH 120 (954140003, 954140003B, 954140003C, 954140003D, 954140003E, 954140003F, 954140106A, 954140106B, HCLTH120A, HCLTH120B)
Husqvarna LTH 130 (954140005K)
Husqvarna LTH 140 (954001192A, 954001192B, 954001192C)
Husqvarna LTH 145 (954140006A, 954140006D)
Husqvarna YT 130 (HEYT130B, HEYT130J, HEYT130K)
Husqvarna YT 140
Husqvarna YT 150 (954820031, HEYT150A, HEYT150H, HEYT155D, HEYT155E)
Husqvarna YT 155 (954170011, 954170025, HEYT155B, HEYT155D)
Husqvarna YT 160
Husqvarna YT 180
Husqvarna YTH 130 (954170006, HEYTH130G)
Husqvarna YTH 145 (954140015A)
Husqvarna YTH 150 (HFYTH155B, HFYTH155C, HFYTH155D, HFYTH155E)
Husqvarna YTH 160 (954140008A, 954170005, HEYTH160C)
Husqvarna YTH 170 (954110071, 954820131, HAYTH170D, HAYTH170E, HFYTH170D)
Husqvarna YTH 180 (HEYTH180A, HEYTH180C)
Husqvarna YTH 190 (954001972, 954001972A)
Jonsered
Jonsered CT2105R (96091000112)
Jonsered LT 13
Jonsered LTH 15 (954820171)
Jonsered LTH 16
Jonsered LTH 18
Jonsered YTH 16
Vill du söka bland Husqvarna sprängskisser & reservdelar? Använd då vår reservdelskatalog. Tryck här för att komma till reservdelskatalogen. Tänk på att du alltid ska säkerställa att artikelnumret blir rätt med hjälp av sprängskissen för din maskin. - Specifikationer
-
Tillverkarens artikelnummer: 532 14 42-00 , 532144200 - Filer
Prishistorik
Nedan finner du prishistorik för denna produkten de senaste 30 dagarna.
Vårt lägsta pris 1-30 dagar innan sänkning:

Sweden - SEK
Uk - GBP


